DOCUMENTATION SACHS 50 S ET GS..BOITE 5 ET 6 VITESSES
Sujet
team paysantini la passion avant toutMoto(s) : Monark 50 isdt replica . fantic 50
team paysantini la passion avant toutMoto(s) : Monark 50 isdt replica . fantic 50
j'attends la suite avec impatience , il m'a toujours plu ce petit moulin 👍
va falloir que je m'en dégotte un 😉
va falloir que je m'en dégotte un 😉
team paysantini la passion avant toutMoto(s) : Monark 50 isdt replica . fantic 50
sylvain a écrit :j'attends la suite avec impatience , il m'a toujours plu ce petit moulin 👍
va falloir que je m'en dégotte un 😉
Un 5V, sans carbu et sans allumage, je connais un en vente a 90 € 😎
Envoi le lien à Sylvain, Eugénio;)
Les rêves se doivent de devenirs des réalités, en tout cas, cela me semble plus que nécessaires, afin de continuer à vivre nos passions à fond !!😉👍
Les rêves se doivent de devenirs des réalités, en tout cas, cela me semble plus que nécessaires, afin de continuer à vivre nos passions à fond !!😉👍
"Le Pape du 50" a représenté une époque bénie dédiée au pisse feu !!
Nous allons essayer de lui rendre hommage, grâce à ce site, et en profitez pour redonner leurs légitimités au tasses !!Moto(s) : QRO 50 Endurisé (le seul)
😂😂 ou ça , ou ça 😳😳 preums , preums😡😡
sylvain a écrit :j'attends la suite avec impatience , il m'a toujours plu ce petit moulin 👍
va falloir que je m'en dégotte un :here:
tu va faire un tour au portugal sylvain !tu va en avoir du sachs sans problème !!!😎
team paysantini la passion avant toutMoto(s) : Monark 50 isdt replica . fantic 50
bonne idée de vacances pour l'année prochaine ca !
sinon en attendant , je vais essayer de trouver l'équivalent du Boncoin au Portugal
sinon en attendant , je vais essayer de trouver l'équivalent du Boncoin au Portugal
à part du Bosch , on peut le faire fonctionner avec quoi ce moteur 🤔
La pensée n'est pas un sport. Elle ne peut être le prétexte de petites réussites que récompensent des applaudissements. Elle n'est pas désintéressée. Elle n'est pas le fait d'un homme isolé. Les découvertes de tous entraînent l'évolution de chacun.
L'atelier de gégé: http://mon-site-83.e-monsite.com/Moto(s) : KTM 50 GS 77/ ZUNDAPP 50 GS 74/ FANTIC 50 RC 76 /125 GILERA VALLI 74 /BPS 125 SUPER ELAN 74
ca ne doit pas etre facile à trouver en bon état 🤬
est ce que ca :
www.ebay.de/itm/Zundung-MVT-elektronisch-1...
ca peut se monter 🤔
est ce que ca :
www.ebay.de/itm/Zundung-MVT-elektronisch-1...
ca peut se monter 🤔
sylvain a écrit :j'attends la suite avec impatience , il m'a toujours plu ce petit moulin 👍
va falloir que je m'en dégotte un 😉
eugénio cação a écrit :
Un 5V, sans carbu et sans allumage, je connais un en vente a 90 € 😎
🤔🤔🤔🤔🤔
Ce que je voulais dire, c'est qu'il y a un gar près de moi qui má demandé si je voulais acheter un Sachs 5V , que n'as pas carbu ni alumage , au prix de 90€ . Ça ne me interesse pas , pas de project pour l'utilizer a ce moment , donc si ça interesse a quelqun, je peux me deplacer et faire quelques photos.
Le gar ètait pressé pour vendre, donc je sais pas s'il y a encore, mais je peux voir ça.
Mon e'mail : geral @ motocrossvintage.com
Le gar ètait pressé pour vendre, donc je sais pas s'il y a encore, mais je peux voir ça.
Mon e'mail : geral @ motocrossvintage.com
team paysantini la passion avant toutMoto(s) : Monark 50 isdt replica . fantic 50
lequel des deux est le plus fiable du Sachs ou du Mina🤔
et le plus facile à bidouiller 😉
et le plus facile à bidouiller 😉
se sont deux moteurs de génération et de conception différentes , ont ne bidouille pas un moteur ont le refait !😎
team paysantini la passion avant toutMoto(s) : Monark 50 isdt replica . fantic 50
le refaire , le refaire !!!!:):)
quand on commence à sortir la dremel et qu'on s'attaque aux lumieres 😉ca s'apparente plus à de la "bidouille "qu'à de la réfection !!😄😄😎
quand on commence à sortir la dremel et qu'on s'attaque aux lumieres 😉ca s'apparente plus à de la "bidouille "qu'à de la réfection !!😄😄😎
pas de dremel ! j ai deja le moteur qu'il faut d origine un sachs 50 / 6 gs longue course 😎
team paysantini la passion avant toutMoto(s) : Monark 50 isdt replica . fantic 50
ca y est , j'ai recu le mien👍👍👍
merci Eugénio !!!
d'ailleurs je vais suivre ton conseil et l'ouvrir rapidement .............il commence déja à rouiller (embrayage et vilo ) 🤬
si vous avez des sites pour les pièces ........envoyez !!!😉 il faut que je change l'arbre de kick et la culasse a mangé du segment
merci Eugénio !!!
d'ailleurs je vais suivre ton conseil et l'ouvrir rapidement .............il commence déja à rouiller (embrayage et vilo ) 🤬
si vous avez des sites pour les pièces ........envoyez !!!😉 il faut que je change l'arbre de kick et la culasse a mangé du segment
C'est bien ce que je pense un sachs ça se mérite
On va commencer:
As tu une jauge de profondeur
Après on verra
Attention c'est pas du mina rien en commun
Bon courage
On va commencer:
As tu une jauge de profondeur
Après on verra
Attention c'est pas du mina rien en commun
Bon courage
Moto(s) : AIM (2) - 125 kt gs 1984 -
Pour démonter commencer par le carter embrayage tu vas voir çà
Morceau d'alu pour bloquer les deux pignons, défreiner et désserer le pignon primaire, pas besoin d’arracher
Sortir le clips de la trans secondaire, vient le pignon la cage les disques et tout les ressorts de 6 à 9
Récupérer la butée à billes dans la noix, attention ne pas perdre
Douille de 24 série longue, il te faudra la diminuer sur le diamètre extérieur (le pas j'ai un trou)
Aprés le méca de selection
Les 2 btr avec les excentriques, à gauche butée de cinq, à droite la 1 ère, photo obligatoire
Morceau d'alu pour bloquer les deux pignons, défreiner et désserer le pignon primaire, pas besoin d’arracher
Sortir le clips de la trans secondaire, vient le pignon la cage les disques et tout les ressorts de 6 à 9
Récupérer la butée à billes dans la noix, attention ne pas perdre
Douille de 24 série longue, il te faudra la diminuer sur le diamètre extérieur (le pas j'ai un trou)
Aprés le méca de selection
Les 2 btr avec les excentriques, à gauche butée de cinq, à droite la 1 ère, photo obligatoire
Moto(s) : AIM (2) - 125 kt gs 1984 -
Desserer les deux btr plus la vis sur le dessus du carter, vas y doucement c'est un jeu de taquin pour libérer la petite pièce en U qui entraine le baladeur, ne pas tirer il est solidaire de l'arbre secondaire il te faudra ouvrir les carters pour y accéder et tu te retrouves avec tout ça,
très important l'ordre des rondelles de calage
Tu as fini le coté secondaire de la chose et le méca de sélection
très important l'ordre des rondelles de calage
Tu as fini le coté secondaire de la chose et le méca de sélection
Moto(s) : AIM (2) - 125 kt gs 1984 -
Coté allumage
Le PSB pas à gauche et extracteur obligatoire, cone sans clavette
Tu pourras le voir une fois les carters ouverts
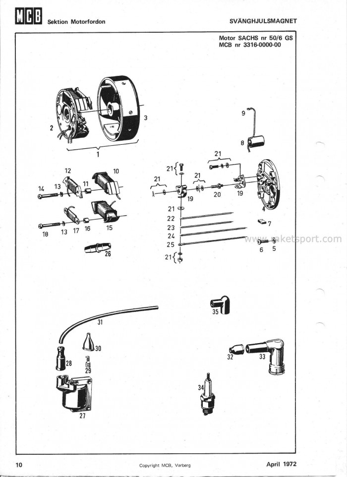
L’âme du sachs c'est ça
Desserer toutes les vis des demi carters
Remettre le moteur coté allumage arbre de kick vers soi, c'est mon moteur en cours de remontage
Petit coup de maillet coté vilo et arbre primaire et tout doucement ça s'écarte et tu arrives comme ca avec les arbres primaire et secondaire
Sur l'arbre primaire celui qui est pyramidal , tu l'auras avec la rondelle de calage face à toi, retire le doucement
IL te reste le secondaire, sort les pignons et les bagues inter pignons, le pignon de 4 devrait en porter une sur chaque face, attention rondelle de calages
il te reste ca
La vis quatre pans a desserer et tu as fini
Meffi le Kick est calé entre pignon et rocher
Le PSB pas à gauche et extracteur obligatoire, cone sans clavette
Tu pourras le voir une fois les carters ouverts
L’âme du sachs c'est ça
Desserer toutes les vis des demi carters
Remettre le moteur coté allumage arbre de kick vers soi, c'est mon moteur en cours de remontage
Petit coup de maillet coté vilo et arbre primaire et tout doucement ça s'écarte et tu arrives comme ca avec les arbres primaire et secondaire
Sur l'arbre primaire celui qui est pyramidal , tu l'auras avec la rondelle de calage face à toi, retire le doucement
IL te reste le secondaire, sort les pignons et les bagues inter pignons, le pignon de 4 devrait en porter une sur chaque face, attention rondelle de calages
il te reste ca
La vis quatre pans a desserer et tu as fini
Meffi le Kick est calé entre pignon et rocher
Moto(s) : AIM (2) - 125 kt gs 1984 -
Pas besoin de demonter le sisteme selecteur . Si tout fonctione bien (boite bien reglé), ça peux rester en place. Faut faire atention au demontage(ouverture) des carters pour que les rondelles restent en place. Facile a faire, moteur a l'horizontale, carter gauche vers le haut , ouverture (facile le vilo a cause des BO17), et apres, moteur encore a l'horizntale, passer , par exemple, un petit fil de fer a l'intérieure de l'arbre du selecteur.
Ceci est valable pour les deux sistemes , celui des photos , ou l'autre, le plus courant .
Ceci est valable pour les deux sistemes , celui des photos , ou l'autre, le plus courant .
Ce sujet ne contient pas encore de vidéo



























